手動衛(wèi)生級三通快裝球閥
型號:RBVPL85
類別:氣動球閥
品牌:星宇XINGYU
產地:寧波奉化
產品特點
○ 獨特的外觀設計,美觀大方。
○ 高平臺結構,IS05211連接標準,能使安裝電/氣動執(zhí)行器更為專業(yè)化。
○ 閥體外表備有加強筋,即使在長期由腐蝕的介質中使用,也能避免閥體自身的斷裂,能避免在工程安裝中所造成的閥門部位斷開。
○ 閥桿進行磨床加工,配電/氣動閥門時的力矩減輕,更加靈活性。
○ 碳鋼球閥的閥體進行磷化處理,不褪色,不生銹,既耐用,又美觀。
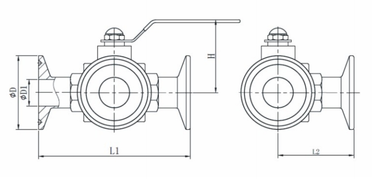
技術參數
| 型號 | DN | 卡盤D | 內孔D1 | 長度L1 | L2 | H | 球內孔 | 重量(Kg) | |
| RBVL85-19 | 19 | 50.5 | 16 | 105 | 57 | 58 | 15 | 0.84 | |
| RBVL85-25 | 25 | 50.5 | 22 | 126 | 62 | 62 | 20 | 1.04 | |
| RBVL85-32 | 32 | 50.5 | 29 | 137 | 68 | 71 | 25 | 1.3 | |
| RBVL85-38 | 38 | 50.5 | 35 | 154 | 77 | 81 | 32 | 1.7 | |
| RBVL85-45 | 45 | 64 | 41.7 | 165 | 81 | 90 | 40 | 2.09 | |
| RBVL85-51 | 51 | 64 | 48 | 186 | 90 | 90 | 40 | 2.7 | |
| RBVL85-63 | 63 | 77.5 | 59 | 184 | 92 | 103 | 50 | 3.65 | |
| RBVL85-76 | 76 | 91 | 72 | 220 | 105 | 110 | 65 | 7 | |
| RBVL85-89 | 89 | 106 | 84 | 240 | 133 | 118 | 80 | 9.3 | |
| RBVL85-102 | 102 | 119 | 98 | 266 | 150 | 130 | 94 | 13 | |
結構尺寸

型號說明

公司簡介

制造能力

行業(yè)應用

合作伙伴

服務網絡

上一篇:手動三片式快裝球閥
下一篇:氣動對夾式軟密封蝶閥





